SAMEK泵芯雙聯葉片泵3525VQ 21A/25A/30A/32A-1CR/1AR/1DR/1BR

液壓缸常見故障
液壓油缸出現故障一般是安裝,使用維護不當,液壓缸出現故障除了自身原因,還跟整個液壓系統有關。提醒大家要認真排查,分析原因,找出故障,確定排除方法,這樣就不用大范圍的拆拆裝裝。
一般液壓油缸會出現的問題有:液壓缸不能動,液壓缸動作不靈敏,液壓缸運動爬行。
一、液壓油缸不能動:
1、執行運動部件的阻力太大
2、進油口油液壓力太低,達不到規定值
3、油液未進入液壓缸
4、液壓缸本身滑動部件的配合過緊,密封磨擦力過大
5、由于設計和制造不當,當活塞行至終點后回程時,壓力油作用在活塞的有效工作面積過小
6、活塞桿承受的橫向載荷過大,特別別勁或拉缸、咬死
7、液壓缸的背壓太大
二、液壓油缸動作不靈敏 :
1、液壓缸內有空氣
2、液壓泵運轉有不規則現象,泵轉動有阻滯或有輕度咬死現象。
3、帶緩沖裝置的液壓缸反向起動時,常出現活塞暫時停止或逆退現象。
4、活塞運動速度高時,單向閥的鋼球跟隨油流流動,以緻堵塞閥孔,液壓缸緻使動作不規則。
5、橡膠軟管內層剝離,使油路時通時斷,造成液壓缸動作不規則
6、液壓缸承受一定的橫向載荷
三、液壓油缸運動爬行:
1、運動機構剛度太小
2、液壓缸安裝位置精度差
3、相對運動件間的靜摩擦系數與動摩擦系數差別太大
4、導軌的制造與裝配質量差
5、缸筒內孔與導向套的同軸度差





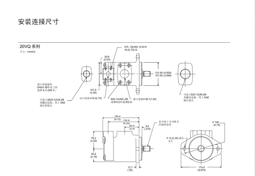
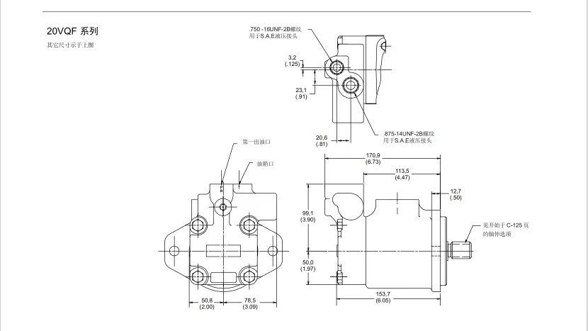
20系列
20V25A-1CR 20VQ
2520系列
2520V/VQ 2520V17A14-1AD22L 2520VQ
2525系列
2525V/VQ 2525VQ
25系列
25V/VQ 25V-10A 25V10A-1DR-10 25V-12A 25V-14A 25V-15A 25V17A-1A22R 25V20 25V21A 25V-21A-1B-22R 25V25
25VQ12MS86BR 25VQ17A-1BR 25VQ17A-1CR 25VQ25A-1A20L 25VQ25A-86DR 3520V/VQ
3520系列
3520VQ 3520VQ21A8S-1BBR
3525系列
3525V/VQ 3525V-25A25 3525v-38a21-86aa-22r 3525VQ 3525VQ-25A14-1DB 35V/VQ
35系列
35V20 35V-21/25A-1/86A-22R 35V25 35V-35A-1/86D-22R 35V35A-1BR 35V38A-1/86-C/D-22R
35VQ25A-1C/BR 35VQ30 35VQ30A-1CR 35VQ35 35VQ35A-1AR 35VQ35A-1CR 35VQ38 35VQ42
4520系列
4520V/VQ 4520VQ 4520VQ-60/11A-1AA 4520VQ-60/12A-1AA 4520VQ-60/14A-1AA
4520VQ-60/5A-1AA 4520VQ-60/6A-1AA 4520VQ-60/7A-1AA 4520VQ-60/8A-1AA
4520VQ-60/9A-1AA 4520VQ-66/11A-1AA 4520VQ-66/12A-1AA 4520VQ-66/14A-1AA
4520VQ-66/5A-1AA 4520VQ-66/6A-1AA 4520VQ-66/7A-1AA 4520VQ-66/8A-1AA
4520VQ-66/9A-1AA 4520VQ-75/11A-1AA 4520VQ-75/12A-1AA 4520VQ-75/14A-1AA
4520VQ-75/5A-1AA 4520VQ-75/6A-1AA 4520VQ-75/7A-1AA 4520VQ-75/8A-1AA
4520VQ-75/9A-1AA 4525V/VQ 4525V60A17-1AC22L 4525VQ 4535V/VQ
4535系列
4535V-50A35-86 4535V60A38-1AA-22R 4535V-60A38-1CC-22R 4535VQ
45系列
45V/VQ 45V20 45V25 45V35 45V60A-001C-22R 45V75A
45VQ42 45VQ47 45VQ50 45VQ50A 45VQ57 45VQ60 45VQ60A 45VQ66 45VQ75
本文由蘇州逐利機電整理發布,如需轉載請瀏覽來源及出處,原文地址:http://www.mfchsuyu.cn/yyyb/69.html






留言信息