SAMEK泵芯高壓雙聯葉片泵3525VQ 35A/38A/45A-1CR/1AR/1DR/1BR

液壓系統壓力繼電器主要性能及注意事項
1、壓力繼電器的主要性能:
①調壓范圍
壓力繼電器能夠發出電信號的最低工作壓力和最高工作壓力的范圍稱為調壓范圍。
②靈敏度與通斷調節區間
液壓系統壓力升高到壓力繼電器的調定值時,壓力繼電器動作接通電信號的壓力稱為??啟壓力;系統壓力降低,壓力繼電器複位切斷電信號的壓力稱為閉合壓力。
??啟壓力與閉合壓力的差值稱為壓力繼電器的靈敏度。差值小則靈敏度高。為避免系統壓力波動時壓力繼電器時通時斷,要求??啟壓力與閉合壓力有一定的差值,此差值若可調,則稱為通斷調節區間。
③升壓或降壓動作時間
壓力繼電器入口側壓力由卸荷壓力升至調定壓力時,微動??關觸點接通發出電信號的時間稱為升壓動作時間,反之,壓力下降,觸點斷??發出斷電信號的時間稱為降壓動作時間。
④重複精度
在一定的調定壓力下,多次升壓(或降壓)過程中,??啟壓力或閉合壓力本身的差值稱為重複精度,差值小則重複精度高。
2、選用標準
根據所測對象的壓力來選用,比如所測壓力范圍在8KG以內,那麼就要選用額定10KG的壓力繼電器,還有要符合電路中的額定電壓,接口管徑的大小。
3、壓力繼電器使用注意事項:
①應按照制造廠的要求,正確安裝壓力繼電器。
②按照所要求的電源形式和具體要求對壓力繼電器中的微動??關進行接缐。
③根據具體用途和液壓系統壓力選用適當結構形式的壓力繼電器,為了保證壓力繼電器動作靈敏,避免低壓系統選用高壓壓力繼電器。
④壓力繼電器的洩油腔應直接接回油箱,否則會使洩油口背壓過高,影響其靈敏度。
⑤壓力繼電器調整完畢后,應鎖定或固定其位置.以免受振動后變動。





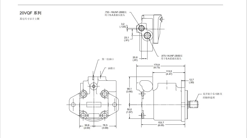
20系列
20V25A-1CR 20VQ
2520系列
2520V/VQ 2520V17A14-1AD22L 2520VQ
2525系列
2525V/VQ 2525VQ
25系列
25V/VQ 25V-10A 25V10A-1DR-10 25V-12A 25V-14A 25V-15A 25V17A-1A22R 25V20 25V21A 25V-21A-1B-22R 25V25
25VQ12MS86BR 25VQ17A-1BR 25VQ17A-1CR 25VQ25A-1A20L 25VQ25A-86DR 3520V/VQ
3520系列
3520VQ 3520VQ21A8S-1BBR
3525系列
3525V/VQ 3525V-25A25 3525v-38a21-86aa-22r 3525VQ 3525VQ-25A14-1DB 35V/VQ
35系列
35V20 35V-21/25A-1/86A-22R 35V25 35V-35A-1/86D-22R 35V35A-1BR 35V38A-1/86-C/D-22R
35VQ25A-1C/BR 35VQ30 35VQ30A-1CR 35VQ35 35VQ35A-1AR 35VQ35A-1CR 35VQ38 35VQ42
4520系列
4520V/VQ 4520VQ 4520VQ-60/11A-1AA 4520VQ-60/12A-1AA 4520VQ-60/14A-1AA
4520VQ-60/5A-1AA 4520VQ-60/6A-1AA 4520VQ-60/7A-1AA 4520VQ-60/8A-1AA
4520VQ-60/9A-1AA 4520VQ-66/11A-1AA 4520VQ-66/12A-1AA 4520VQ-66/14A-1AA
4520VQ-66/5A-1AA 4520VQ-66/6A-1AA 4520VQ-66/7A-1AA 4520VQ-66/8A-1AA
4520VQ-66/9A-1AA 4520VQ-75/11A-1AA 4520VQ-75/12A-1AA 4520VQ-75/14A-1AA
4520VQ-75/5A-1AA 4520VQ-75/6A-1AA 4520VQ-75/7A-1AA 4520VQ-75/8A-1AA
4520VQ-75/9A-1AA 4525V/VQ 4525V60A17-1AC22L 4525VQ 4535V/VQ
4535系列
4535V-50A35-86 4535V60A38-1AA-22R 4535V-60A38-1CC-22R 4535VQ
45系列
45V/VQ 45V20 45V25 45V35 45V60A-001C-22R 45V75A
45VQ42 45VQ47 45VQ50 45VQ50A 45VQ57 45VQ60 45VQ60A 45VQ66 45VQ75
本文由蘇州逐利機電整理發布,如需轉載請瀏覽來源及出處,原文地址:http://www.mfchsuyu.cn/yyyb/67.html






留言信息