YUKEN油研柱塞泵液壓泵ARL1-8-FR01A-10 ARL1-16/6/12-FR01A
液壓系統無壓力或壓力不正常,如何診斷?
液壓系統壓力不足的幾個診斷方法。
一、看液壓泵是否能輸出液壓油。若無液壓油輸出,則可能是:泵的轉向不對;零件磨損嚴重或損壞;吸油管阻力過大(濾油器堵塞、油液黏度過大等)或漏氣。
如果是新泵,則可能是泵體有鑄造缺陷(如砂眼等),使吸油腔與壓油腔相通,失去壓油能力;泵的輸入功率不足或泵軸扭斷,使泵的輸出油壓達不到工作壓力或輸不出油。若液壓泵有油液輸出,則應檢查各回油管,觀察是哪一個元件溢油。如溢流回油管溢油,則可能是閥的調定壓力低造成的。此時,可擰緊溢流閥調壓彈簧,若壓力無變化,則可能是溢流閥主閥芯或先導部分的錐閥上有臟物或因銹蝕而卡死在開口位置;或因彈簧折斷而失去作用;或因阻尼孔被臟物堵塞,使泵輸出的油液直接經溢流閥流回油箱,造成壓力不足或無壓力。排除方法是,拆開溢流閥并清洗;檢查或更換彈簧,恢復其工作性能。

二、看溢流閥工作是否正常。若不正常,則可能是壓力油路中的某個閥有污物或其他原因被卡位,處于回油位置,致使壓力油路與溢流回路相通。也可能是管接頭松脫,或處于壓力油路中的某些閥泄漏嚴重,或液壓缸、液壓馬達的密封件損壞,造成嚴重泄漏。排除方法是,拆開有關閥進行清洗,檢查密封間隙的大小及各種密封裝置。若密封裝置損壞,應更換。
三、看液壓泵的輸出流量。若流量隨壓力升高而明顯減小,且壓力達不到規定值,則是由于液壓泵磨損后間隙增大所致。排除方法:測定液壓泵的容積效率即可確定該泵是否能繼續使用,對磨損嚴重的零件,應進行修配或更換。
四、看整個液壓系統能否建立起正常壓力。某些管路或液壓缸(液壓馬達)中無壓力,也可能是由于管路、節流閥、換向閥等元件堵塞所致。應逐段檢查壓力和有無油液通過,找出原因,加以排除。





50T-07-FR大軸22.2,50T-07-FR小軸19.05,50T-12-FR大軸22.2,50T-12-FR小軸19.05
50T-14-FR大軸22.2,50T-14-FR小軸19.05,50T-17-FR大軸22.2,50T-17-FR小軸19.05
50T-20-FR大軸22.2,50T-20-FR小軸19.05,50T-23-FR大軸22.2,50T-23-FR小軸19.05
50T-26-FR大軸22.2,50T-26-FR小軸19.05,50T-30-FR大軸22.2,50T-30-FR小軸19.05
50T-36-FR大軸22.2,50T-36-FR小軸19.05,50T-39-FR大軸22.2,50T-39-FR小軸19.05
50T-43-FR大軸22.2,50T-43-FR小軸19.05
A100-FR04HBS/FR04HAS-A-60399/60366,A100-FR04HS-60,
A145-FR04HBS/FR04HAS-A-60366,A145-FR04HS-60
A16-F-R-01-B-K-32,A16-F-R-01-C/H/B-K-32,A16-F-R-01-C-K-32,A16-F-R-01-H-K-32
A22-F-R-01-B-K-32,A22-F-R-01-C-K-32,A22-F-R-01-H/B-K-32,A22-F-R-01-H-K-32
A37-F-R-01-B/C-K-32,A37-F-R-01-B-K-32,A37-F-R-01-C/H-K-32,A37-F-R-01-C-K-32
A37-F-R-01-H-K-32,A37-F-R-04-H-K-32393
A3H100-F(L)-R(L),A3H145-F(L)-R(L),A3H16-F(L)-R(L),A3H180-F(L)-R(L),A3H37-F(L)-R(L)
A3H56-F(L)-R(L),A3H71-F(L)-R(L)
A3HG100-F(L)-R(L),A3HG145-F(L)-R(L),A3HG16-F(L)-R(L),A3HG180-F(L)-R(L),A3HG37-F(L)-R(L)
A3HG56-F(L)-R(L),A3HG71-F(L)-R(L)
A45-F-R-04-H-K-32393,A56/A45/A37,A56-F-R-04-H-K-32393,A70-FR04HBS-A,A70-FR04HS-60
A70-FRO4HAS-A,A90-FR04HBS/FR04HAS-A-60366,A90-FR04HS-60
AR16-FR01B-20,AR16-FR01B-22,AR16-FR01BS-22,AR16-FR01C-20,AR16-FR01C-22
AR16-FR01CS-22,AR16-FRO1BS-2223
AR22-FR01B-20,AR22-FR01B-22,AR22-FR01BS-22,AR22-FR01C-20,AR22-FR01C-22,AR22-FR01CS-22
ARL1-12-FR01A-10,ARL1-12-FR01S-10,ARL1-16-FR01A-10,ARL1-16-FR01S-10,ARL1-6-FR01A-10
ARL1-6-FR01S-10,ARL1-8-FR01A-10,ARL1-8-FR01S-10
PV2R11/R12/R13/R14
PV2R1-10-F-RAA-43,PV2R1-12-F-RAA-43,PV2R1-14-F-RAA-43,PV2R1-17-F-RAA-43,PV2R1-19-F-RAA-43
PV2R12-10-26-F-REAA-42,PV2R12-10-41-F-REAA-42,PV2R12-10-47-F-REAA-42
PV2R12-10-53-F-REAA-42,PV2R12-10-59-F-REAA-42,PV2R12-10-65-F-REAA-42,PV2R12-10-75-F-REAA-42
PV2R12-14-33-F-REAA-4326,PV2R12-14-33-F-REAR-43,PV2R12-25-33,PV2R12-25-41,PV2R12-25-47
PV2R12-25-53,PV2R12-25-59,PV2R12-25-65,PV2R12-25-75,PV2R12-28-33,PV2R12-28-41,PV2R12-28-47
PV2R12-28-53,PV2R12-28-59,PV2R12-28-65,PV2R12-28-75,PV2R1-23-F-RAA-43,PV2R1-25-F-RAA-43
PV2R12-6-26-F-REAA-42,PV2R12-6-33-F-REAA-42,PV2R12-6-41-F-REAA-42,PV2R12-6-47-F-REAA-42
PV2R12-6-53-F-REAA-42,PV2R12-6-59-F-REAA-42,PV2R12-6-65-F-REAA-42,PV2R12-6-75-F-REAA-42
PV2R12-8-26-F-REAA-42,PV2R12-8-41-F-REAA-42,PV2R12-8-53-F-REAA-42,PV2R12-8-59-F-REAA-42
PV2R12-8-65-F-REAA-42,PV2R12-8-75-F-REAA-42,PV2R1-28-F-RAA-43
PV2R13-10-76-L-LRAL-43,PV2R13-10-76-L-RAAA-40,PV2R13-12-76-L-RAAA-40
PV2R13-14-76-L-RAAA-40,PV2R13-17-76-L-RAAA-40,PV2R13-19-76-L-RAAA-40
PV2R1-31-F-RAA-43
PV2R13-23-76-L-RAAA-40,PV2R13-25-76-L-RAAA-40,PV2R13-31-76-L-RAAA-40
PV2R13-6-76-L-RAAA-40,PV2R13-8-76-L-RAAA-40
PV2R1-6-F-RAA-43,PV2R1-8-F-RAA-43
PV2R2-26-F-R,PV2R23/R24/R33/R34,PV2R2-33-F-R
PV2R23-47-94-F-REAA-41,PV2R23-53/66-F-REAA-41
PV2R2-41-F-R,PV2R2-47-F-R,PV2R2-53-F-R,PV2R2-59-F-R,PV2R2-65-F-R,PV2R2-75-F-R
PV2R34-116-237-F-REAA-31,PV2R34-116-237-F-RGAL-31,PV2R34-116-237-F-RHAR-31
PV2R34-52-184-F-RAAA-31
PV2R3-94-F-RAAA
PV2R4-200-F-RAA-30,PV2R4-200-F-RAB-30,PV2R4-200-F-RAL-30,PV2R4-200-F-RAR-30
PV2R4-237-F-RAB-30,PV2R4-237-F-RAL-30,PV2R4-237-F-RAR-30
PVR50FF-13-RAA-31,PVR50FF-20-RAA-31,PVR50FF-23-RAA-31,PVR50FF-26-RAA-31
PVR50FF-30-RAA-31,PVR50FF-36-RAA-31,PVR50FF-39-RAA-31
S-PV2R2/R3/R4/R12/R34,S-PV2R2-53-F-RAA-45
SVPF-12-20-20,SVPF-12-35-20,SVPF-12-55-20,SVPF-12-70-20
SVPF-15-20-20,SVPF-15-35-20,SVPF-15-55-20,SVPF-15-70-20
SVPF-20-20-20,SVPF-20-35-20,SVPF-20-55-20,SVPF-20-70-20
SVPF-30-20-20,SVPF-30-35-20,SVPF-30-55-20,SVPF-30-70-20
SVPF-40-20-20,SVPF-40-35-20,SVPF-40-55-20,SVPF-40-70-20
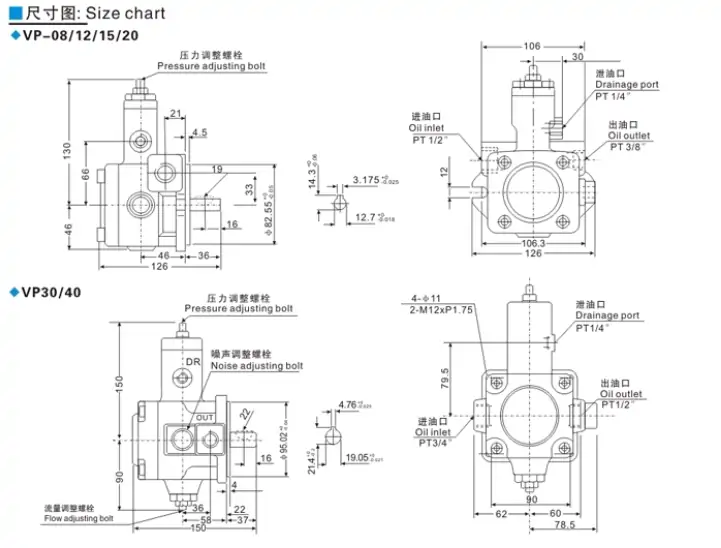
VP-08-FA3,VP-12-FA3,VP-15-FA3,VP-15-FA3(花鍵7齒),VP-15-FA3(花鍵9齒)
VP-20-FA3,VP-20-FA3(花鍵7齒),VP-20-FA3(花鍵9齒),VP-30-FA3
VP-30-FA3(花鍵9齒),VP-40-FA3,VP-40-FA3(花鍵9齒)
VPSM-PSFO-16AR-20,VPSM-PSFO-9BR-20
DG-01 DG-02 DT-01 DT-02 BG-03 BG-06 BG-10
BT-04 BT-06 BT-10
BG/BT-03/06/10 BT-03 BT-04 BT-06 BT-10
BSG-03/06/10 BSG-2P/BST-2P-03/06/10
BSG-03 BSG-06 BSG-10 BSG-03-*-2P BSG-06-*-2P
SBG-03 SBG-06 SBSG-03 SBSG-06 SBSG-10 SBG-03/06/10 SBSG-03/06/10
SBG-03-B SBG-03-C SBG-03-H SBG-03-2H SBG-06-B SBG-06-C SBG-06-H SBG-06-2H SBG-06-H-K05
BST-03-2PN-B BST-03-2PN-C BST-03-2PN-H BST-03-2PN-2H BST-06-2PN-B BST-06-2PN-C
BST-06-2PN-H BST-06-2PN-2H BST-10-2PN-B BST-10-2PN-C BST-10-2PN-H BST-10-2PN-2H
H型壓力控制閥、HC型壓力控制閥
HG-03 HG-06 HG-10 HCG-03 HCG-06 HCG-10 HCT-06
HG/HT-03/06/10
減壓閥、單向減壓閥
RG-03 RG-06
RT-03 RT-03/04/06/10
RCT-03 RCT-03 RCT-06 RCT-10 RCT-03/06/10
RCG-03/06/10 RCG-03 RCG-06 RG-03/06/10
液控單向閥
CPDG-03 CPDG-06 CPDG-10
CPDT-03 CPDT-06 CPDT-10
CPDF-10 CPDF-16
電液換向閥
DSHG-04 DSHG-04-AB DSHG-06
DSHG-06-AB
DSHG-10 DSHG-10-AB
DSHG-2B*-03/04/06/10 DSHG-3C*-03/04/06/10
順序閥
HCG-03 HCG-06 HCG-10
HCG-03/06/10
HCT-03/04/06/10
DSG-01-2B2-D24,DSG-01-2D2-D24,DSG-01-3C2-A220-DL,DSG-01-3C2-A220-LW,
DSG-01-3C2-D24-DL,DSG-01-3C2-D24-LW,DSG-01-3C3-A220-DL,DSG-01-3C3-A220-LW,
DSG-01-3C3-D24-DL,DSG-01-3C3-D24-LW,DSG-01-3C4-A220-DL,DSG-01-3C4-A220-LW,
DSG-01-3C4-D24-DL,DSG-01-3C4-D24-LW,DSG-01-3C5-D24-DL,DSG-01-3C5-D24-LW,
DSG-01-3C6-A220-DL,DSG-01-3C6-A220-LW,DSG-01-3C6-D24-DL,DSG-01-3C6-D24-LW,
DSG-02-2B2-DL,DSG-02-2B2-DL-AC24,DSG-02-3C2-D24-DL,DSG-02-3C2-DL,DSG-02-3C3-DL,
DSG-02-3C4-DL,DSG-02-3C60-DL,DSG-02-3C60-DL-R220,DSG-03-2B2-DL,DSG-03-2B2-DL-A220,
DSG-03-2B2-DL-A220V,DSG-03-2B2-DL-D24,DSG-03-2B2-DL-D24V,DSG-03-2B2-LW-A220,
DSG-03-2B2-LW-D24,DSG-03-2B3-DL-A220,DSG-03-2B3-DL-D24,DSG-03-2B3-LW-A220,
DSG-03-2B3-LW-D24,DSG-03-2D2-DL-A220,DSG-03-2D2-DL-D24,DSG-03-2D2-LW-A220,
DSG-03-2D2-LW-D24,DSG-03-3C2-D24,DSG-03-3C2-DL,DSG-03-3C2-DL-A220,
DSG-03-3C2-DL-A220V,DSG-03-3C2-DL-D24,DSG-03-3C2-DL-D24V,DSG-03-3C2-LW-A220,
DSG-03-3C2-LW-D24,DSG-03-3C3-DL,DSG-03-3C3-DL-A220V,DSG-03-3C3-DL-D24V,
DSG-03-3C4-D24,DSG-03-3C4-DL,DSG-03-3C4-DL-A220,DSG-03-3C4-DL-A220V,
DSG-03-3C4-DL-D24,DSG-03-3C4-DL-D24V,DSG-03-3C4-LW-A220,DSG-03-3C4-LW-D24,
DSG-03-3C5-DL-A220V,DSG-03-3C5-DL-D24V,DSG-03-3C60-DL,DSG-03-3C60-DL-A220V,
DSG-03-3C60-DL-D24V,DSG-03-3C6-DL-A220,DSG-03-3C6-DL-A220V,DSG-03-3C6-DL-D24,
DSG-03-3C6-DL-D24V,DSG-03-3C6-LW-A220,DSG-03-3C6-LW-D24,DSG-G03-2B2-DL-AC220V,
DSG-G03-2B2-DL-DC24V,DSG-G03-2B3-DL-AC220V,DSG-G03-2B3-DL-DC24V,
DSG-G03-2B60-DL-AC220V,DSG-G03-2B60-DL-DC24V,DSG-G03-2B8-DL-AC220V,
DSG-G03-2B8-DL-DC24V,DSG-G03-3C2-DL-AC220V,DSG-G03-3C2-DL-DC24V,
DSG-G03-3C3-DL-AC220V,DSG-G03-3C3-DL-DC24V,DSG-G03-3C4-DL-AC220V,
DSG-G03-3C4-DL-DC24V,DSG-G03-3C60-DL-AC220V,DSG-G03-3C60-DL-DC24V
SW-G02-04-A220-50
MSA-01-X-50,MSA-01-Y-50,MSA-02-X-50,MSA-02-Y-50,MSA-03-X-50,MSA-03-Y-50,
MSA-04-X-50,MSA-06-X-50,
MSB-01-X-50,MSB-02-X-50,MSB-03-X-50,MSB-04-X-50,MSB-06-X-50,
MSW-01-X-50,MSW-01-Y-50,MSW-02-X-50,MSW-02-Y-50,MSW-03-X-50,MSW-03-Y-50,
MSW-04-X-50,MSW-06-X-50
★★★▼疊加式減壓閥▼★★★
MRA-01-C-30,MRA-01-H-30,MRA-03-C-30,MRA-03-H-30,MRA-04-C-10,MRA-04-H-10,
MRA-06-C-30,MRA-06-H-30,
MRB-01-C-30,MRB-01-H-30,MRB-03-C-30,MRB-03-H-30,MRB-04-C-10,MRB-04-H-10,
MRB-06-C-30,MRB-06-H-30,
MRP-01-C-30,MRP-01-H-30,MRP-03-C-30,MRP-03-H-30,MRP-04-C-10,MRP-04-H-10,
MRP-06-C-30,MRP-06-H-30
★★★▼疊加式液控單向閥▼★★★
MPA-01-2-40,MPA-01-4-40,MPA-03-2-20,MPA-03-4-20,MPA-04-2-10Y,MPA-04-4-10Y,
MPA-06-2-30,MPA-06-4-30,
MPB-01-2-40,MPB-01-4-40,MPB-03-2-20,MPB-03-4-20,MPB-04-2-10Y,MPB-04-4-10Y,
MPB-06-2-30,MPB-06-4-30,
MPW-01-2-40,MPW-01-4-40,MPW-03-2-20,MPW-03-4-20,MPW-04-2-10Y,MPW-04-4-10Y,
MPW-06-2-30,MPW-06-4-30
★★★▼疊加式溢流閥▼★★★
MBA-01-C-30,MBA-01-H-30,MBA-03-C-30,MBA-03-H-30,MBB-01-C-30,MBB-01-H-30,MBB-03-C-30,
MBB-03-H-30,MBP-01-C-30,MBP-01-H-30,MBP-03-C-30,MBP-03-H-30,MBW-01-H-30,MBW-03-C-30,
MBW-03-H-30
本文由蘇州逐利機電整理發布,如需轉載請瀏覽來源及出處,原文地址:http://www.mfchsuyu.cn/yyyb/331.html






留言信息