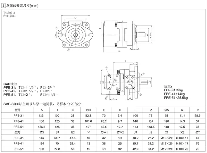
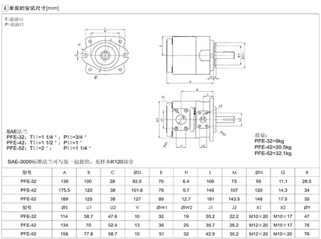
ATOS阿托斯葉片泵PFE32036/41070/51129/31028-3DT/1DT泵頭
液壓系統的過濾
過濾在液壓系統中是必不可少的,因爲它是控制油液污染的一個重要手段。通過過濾,可防止切屑和其他污染粒子的侵入,并清除液壓系統中已有的或不斷産生的污染顆粒和磨損顆粒,維持液壓元件所允許的污染程度(污染敏感度)。當前研制各種類型的高教精密濾油器和探求特佳的過濾方式,以較低的總費用提供保證元件有足夠防護能力的低過濾級已成爲過濾方面的重要話題。
液壓系統清洗與過濾的幾點說明
①過濾時如能增大過濾面積,反而經濟;單獨設置過濾回路,清洗效果較好;回路中安裝加熱器,可以提高清洗效果。
一般情況下,爲了進行有效清洗,可采用增加油溫、增加流量、用低黏度油、用高比重油、用脈沖液流和使用系統作振動沖洗等措施。小流量室溫下清洗時,一般效果較差。

②粗濾油器與精濾油器串聯組合很不經濟。
③系統中對污染敏感高的元件(如伺服元件),最好能裝設輔助過濾器,或單獨卸下專門清洗。
④沖洗過程中還應該注意:油箱要封閉,減少現場空氣中顆粒進入油箱的機會;向油箱中加入沖洗油時應使用帶過濾器的加油小車,以濾除桶裝油中的污染物;更換濾芯時暫停沖洗泵,注意不要帶人雜質;對排空和排污要定期進行,以確保系統充滿,并及時排出氣和污染物;在沖洗的前期,油中水分蒸發很重要,在沖洗油箱上應有蒸汽逸出的窗口;沖洗臺格后再抽出沖洗油、管線。使用前要注意保護,以免污染物進入系統。







PFE 31028/ 5DW
PFE-31016/1DT 20 PFE-31016/1DU
PFE-31022/1DT 20 PFE-31022-1DU
PFE-31028/ 1DT PFE-31028/1DT 20
PFE-31036/1DT PFE-31036/1DT 20
PFE-31044/1DT 20 PFE-31044/5DT PFE-31044-1DT
PFE-32036/3DT 20 PFE-32036/3DU 20
PFE-41029/1DT
PFE-41045/1DT 20
PFE-41070-10V
PFE-41085/10D PFE-41085/1DT 20
PFE-42045/3DW 20
PFE-42056/3DT PFE-42056/3DT 20
PFE-51090/1DT PFE-51090-1DT
PFE-51150/1DT 20
PFED 54110/045/1 DVO
PFED-43045/016/1DTA PFED-43045/028-1DT0 PFED-43045/044/1DTO
PFED-43070/028/1DWB20 PFED-43070/044/1DV0 20
PFED-43085/016 PFED-43085/016/1DVO 20 PFED-43085/022 PFED-43085/028 PFED-43085/036
PFED-43085/044 PFED-43085/044/1DUO 20
PFED-54110/037/1DTO
本文由蘇州逐利機電整理發布,如需轉載請瀏覽來源及出處,原文地址:http://www.mfchsuyu.cn/yyyb/206.html






留言信息