JPWORLD沃特液壓KHG2-100-01R-VPC齒輪泵KHG2-80/125/160-01R-VPC









CY14-1B型軸向柱塞泵使用禁忌
1、特點此系列軸向柱塞泵是一種靠傾斜盤變量的高壓泵,結構緊湊、重量輕、效率高、噪聲小、在低于額定轉速運轉時有一定的自吸能力。注意此系列軸向柱塞泵滑靴及配油盤容易磨損,變量范圍小,過濾精度要求高。
2、種類CY14-1 B型軸向柱塞泵由兩大部分組成—主體部分和變量機構。四種變量操縱形式的軸向柱塞泵的主體部分相同,僅變量機構不同。
①伺服變量采用液壓泵本身輸出的高壓油控制變量機構,可以用手動或機械等方式操縱伺服機構,以達到變量的目的。
②壓力補償變量采用雙彈簧控制泵的流量和壓力特性,使兩者近似地按恒功率關系變化。
③手動變量采用手輪調節液壓泵的流量,液壓泵的輸出油流不可換向。
④定量傾斜盤固定,沒有變量機構。
3、禁忌
①液壓泵采用粘度3 -60E的液壓油或透平油,正常工作油溫為20 - 60 t,為了保持油液清潔,在油箱里的吸、排油管的隔擋之間須裝有100 -200目的過濾網,過濾網的面積在流量為1 L/min時不小于5一6cm2,最好在液壓系統中裝有磁性過濾器或其他過濾器。
②液壓泵有自吸能力,可以安裝在油箱上面,吸油高度<500mm。但禁止在吸油管上安裝討濾器。為防止吸真空,也可以采用壓力補油。該泵也適合于安裝在油箱里面。
③液壓泵適于各種安裝方式。如果安裝在油箱外面,則可按所選用的電動機型號來設計支座,泵和電動機的中心高度必須一緻。泵和電動機之間用彈性聯軸器相連接,兩軸應力求同心;嚴禁將帶輪或齒輪直接裝在泵的傳動軸上;泵和電動機的公共基礎或底座應具有足夠的剛度。
④作液壓馬達使用時,須特別注意液壓泵中配油盤的安裝,定位銷永遠插在銷孔內。
⑤改變液壓泵出廠時的旋轉方向,則定位銷必須插在對應的銷孔內。
⑥起動前必須通過回油口向泵體內灌滿純潔的工作油液,否則將使泵燒壞。
KHG0系列:
KHG0-10-01R-VPC KHG0-08-01R-VPC KHG0-13-01R-VPC KHG0-16-01R-VPC KHG0-20-01R-VPC
KHG1系列:
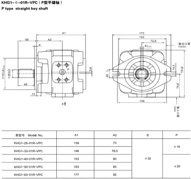
KHG1-25-01R-VPC KHG1-32-01R-VPC KHG1-40-01R-VPC KHG1-50-01R-VPC KHG1-63-01R-VPC
KHG2系列:
KHG2-63-01R-VPC KHG2-80-01R-VPC KHG2-100-01R-VPC KHG2-125-01R-VPC KHG2-145-01R-VPC KHG2-160-01R-VPC
本文由蘇州逐利機電整理發布,如需轉載請瀏覽來源及出處,原文地址:http://www.mfchsuyu.cn/yyyb/147.html






留言信息