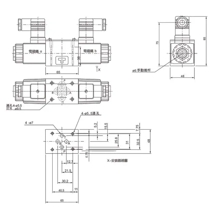
電磁閥_MPW-01-2-10T_液壓閥_DECO_迪可_電磁換向閥
壓力控制閥流量與結構類型的確定
壓力控制閥流量與結構類型的確定。
1、流量是選擇閥通徑的依據,當液壓系統對卸荷壓力或溢流時的壓力損失有限制時,通徑可以選大些。
2、通過壓力控制閥的實際流量應小于壓力閥的額定流量。廣研所系列低、中壓控制閥的型號中,其主要規格給出的是閥的額定流
量。而中、高壓系列液壓控制閥的型號中,給出的是通徑,但通徑相同、形式不同的閥,在不同壓力下,其額定流量不一定相同。實際
上,如果對經過控制閥的壓力降要求不高時,實際流經該閥的流量也可稍大于液壓系統額定流量

按結構類型及工作原理,壓力控制閥分為直動型及先導型兩類。
1、直動型壓力控制閥結構簡單,靈敏度高,但壓力受流量變化的影響大,調壓偏差大,不適于在高壓、大流量下工作。但在緩沖、
制動裝置中,要求壓力控制閥的靈敏度高,應采用直動型溢流閥。
2、先導型壓力控制閥的靈敏度和響應速度比直動型閥低,而調壓精度比直動型閥高,廣泛用于高壓、大流量和調壓精度要求較高的
液壓系統場合。
3、避免設計液壓回路選擇液壓閥時隻從原理出發而不考慮結構。液壓閥的選取不僅要原理正確,而且還要考慮結構,例如順序閥,
同一工作原理,但從結構上分為內洩式和外洩式、內控式和外控式,要根據液壓系統的工作狀態和流量閥的特點來正確選用,否則將導緻
系統不能正常工作。






溢流閥
DG-01 DG-02 DT-01 DT-02 BG-03 BG-06 BG-10
BT-04 BT-06 BT-10
BG/BT-03/06/10 BT-03 BT-04 BT-06 BT-10
BSG-03/06/10 BSG-2P/BST-2P-03/06/10
BUCG-03/06/10
DG-01/DT-01 DG-02/DT-02
HDRI-03/03G/03T
先導式溢流閥
DBW-10-2H DBW-10-C
DBW-20-2H DBW-20-C
DBW-30-2H DBW-30-C
DBW-10/20/30
DB-03/06/10/20/30
滿油閥
PDF-100T-30 PDF-125FT-30 PDF-80FT-30
電磁溢流閥
BSG-03 BSG-06 BSG-10 BSG-03-*-2P BSG-06-*-2P
SBG-03 SBG-06 SBSG-03 SBSG-06 SBSG-10 SBG-03/06/10 SBSG-03/06/10
SBG-03-B SBG-03-C SBG-03-H SBG-03-2H SBG-06-B SBG-06-C SBG-06-H SBG-06-2H SBG-06-H-K05
BST-03-2PN-B BST-03-2PN-C BST-03-2PN-H BST-03-2PN-2H BST-06-2PN-B BST-06-2PN-C
BST-06-2PN-H BST-06-2PN-2H BST-10-2PN-B BST-10-2PN-C BST-10-2PN-H BST-10-2PN-2H
電磁控制節流閥
SF-03/06/10 SKF-06
SKF-03/06/10
SKFG-06/10 SKFG-10
蝶式預充閥;
SVF-32 SVF-40 SVF-50 SVF-63 SVF-80 SVF-100 SVF-125 SVF-160
卸載溢流閥
BUCG-06
H型壓力控制閥、HC型壓力控制閥
HG-03 HG-06 HG-10 HCG-03 HCG-06 HCG-10 HCT-06
HG/HT-03/06/10
背壓閥
BR-03 BR-06 BR-10
減壓閥、單向減壓閥
RG-03 RG-06
RT-03 RT-03/04/06/10
RCT-03 RCT-03 RCT-06 RCT-10 RCT-03/06/10
RCG-03/06/10 RCG-03 RCG-06 RG-03/06/10
充液閥
SG-16 SG-24 SG-32
滿油閥
PF-50-FT PF-80-FT PF-90-FT PF-100-FT
PF-50 PF-80 PF-90 PF-100 PF-125 PF-150
節流閥、電磁節流閥
THF-06
SD-06 SD-03/06/10 SDF-03/10
SF-06 SF-10
SDF-06 SDF-10
SRG-03 SRG-06 SRG-10 SRG-03/06/10
SRCG-03 SRCG-06 SRCG-10 SRCG-03/06/10
SRCT-03 SRCT-06 SRCT-10 SRCT-03/04/06/10
機械換向閥
DCG-01
直角單向閥
CRG-03 CRG-06 CRG-10 CRG-03-*-50 CRG-06-*-50 CRG-10-*-50 CRG-03/06/10
液控單向閥
CPDG-03 CPDG-06 CPDG-10
CPDT-03 CPDT-06 CPDT-10
CPDF-10 CPDF-16
電液換向閥
DSHG-04 DSHG-04-AB DSHG-06
DSHG-06-AB
DSHG-10 DSHG-10-AB
DSHG-2B*-03/04/06/10 DSHG-3C*-03/04/06/10
背壓閥
BR-03/06/10
BRG-03/06
順序閥
HCG-03 HCG-06 HCG-10
HCG-03/06/10
HCT-03/04/06/10
電磁換向閥:
24EI1-H6B-T
3WE6A-50/AG24
4WE6E-50/AG12,4WE6E-6X/ED12VMZ5L
DSG-01-2B2-D24,DSG-01-2D2-D24,DSG-01-3C2-A220-DL,DSG-01-3C2-A220-LW,
DSG-01-3C2-D24-DL,DSG-01-3C2-D24-LW,DSG-01-3C3-A220-DL,DSG-01-3C3-A220-LW,
DSG-01-3C3-D24-DL,DSG-01-3C3-D24-LW,DSG-01-3C4-A220-DL,DSG-01-3C4-A220-LW,
DSG-01-3C4-D24-DL,DSG-01-3C4-D24-LW,DSG-01-3C5-D24-DL,DSG-01-3C5-D24-LW,
DSG-01-3C6-A220-DL,DSG-01-3C6-A220-LW,DSG-01-3C6-D24-DL,DSG-01-3C6-D24-LW,
DSG-02-2B2-DL,DSG-02-2B2-DL-AC24,DSG-02-3C2-D24-DL,DSG-02-3C2-DL,DSG-02-3C3-DL,
DSG-02-3C4-DL,DSG-02-3C60-DL,DSG-02-3C60-DL-R220,DSG-03-2B2-DL,DSG-03-2B2-DL-A220,
DSG-03-2B2-DL-A220V,DSG-03-2B2-DL-D24,DSG-03-2B2-DL-D24V,DSG-03-2B2-LW-A220,
DSG-03-2B2-LW-D24,DSG-03-2B3-DL-A220,DSG-03-2B3-DL-D24,DSG-03-2B3-LW-A220,
DSG-03-2B3-LW-D24,DSG-03-2D2-DL-A220,DSG-03-2D2-DL-D24,DSG-03-2D2-LW-A220,
DSG-03-2D2-LW-D24,DSG-03-3C2-D24,DSG-03-3C2-DL,DSG-03-3C2-DL-A220,
DSG-03-3C2-DL-A220V,DSG-03-3C2-DL-D24,DSG-03-3C2-DL-D24V,DSG-03-3C2-LW-A220,
DSG-03-3C2-LW-D24,DSG-03-3C3-DL,DSG-03-3C3-DL-A220V,DSG-03-3C3-DL-D24V,
DSG-03-3C4-D24,DSG-03-3C4-DL,DSG-03-3C4-DL-A220,DSG-03-3C4-DL-A220V,
DSG-03-3C4-DL-D24,DSG-03-3C4-DL-D24V,DSG-03-3C4-LW-A220,DSG-03-3C4-LW-D24,
DSG-03-3C5-DL-A220V,DSG-03-3C5-DL-D24V,DSG-03-3C60-DL,DSG-03-3C60-DL-A220V,
DSG-03-3C60-DL-D24V,DSG-03-3C6-DL-A220,DSG-03-3C6-DL-A220V,DSG-03-3C6-DL-D24,
DSG-03-3C6-DL-D24V,DSG-03-3C6-LW-A220,DSG-03-3C6-LW-D24,DSG-G03-2B2-DL-AC220V,
DSG-G03-2B2-DL-DC24V,DSG-G03-2B3-DL-AC220V,DSG-G03-2B3-DL-DC24V,
DSG-G03-2B60-DL-AC220V,DSG-G03-2B60-DL-DC24V,DSG-G03-2B8-DL-AC220V,
DSG-G03-2B8-DL-DC24V,DSG-G03-3C2-DL-AC220V,DSG-G03-3C2-DL-DC24V,
DSG-G03-3C3-DL-AC220V,DSG-G03-3C3-DL-DC24V,DSG-G03-3C4-DL-AC220V,
DSG-G03-3C4-DL-DC24V,DSG-G03-3C60-DL-AC220V,DSG-G03-3C60-DL-DC24V
SW-G02-04-A220-50
MSA-01-X-50,MSA-01-Y-50,MSA-02-X-50,MSA-02-Y-50,MSA-03-X-50,MSA-03-Y-50,
MSA-04-X-50,MSA-06-X-50,
MSB-01-X-50,MSB-02-X-50,MSB-03-X-50,MSB-04-X-50,MSB-06-X-50,
MSW-01-X-50,MSW-01-Y-50,MSW-02-X-50,MSW-02-Y-50,MSW-03-X-50,MSW-03-Y-50,
MSW-04-X-50,MSW-06-X-50
★★★▼疊加式減壓閥▼★★★
MRA-01-C-30,MRA-01-H-30,MRA-03-C-30,MRA-03-H-30,MRA-04-C-10,MRA-04-H-10,
MRA-06-C-30,MRA-06-H-30,
MRB-01-C-30,MRB-01-H-30,MRB-03-C-30,MRB-03-H-30,MRB-04-C-10,MRB-04-H-10,
MRB-06-C-30,MRB-06-H-30,
MRP-01-C-30,MRP-01-H-30,MRP-03-C-30,MRP-03-H-30,MRP-04-C-10,MRP-04-H-10,
MRP-06-C-30,MRP-06-H-30
★★★▼疊加式液控單向閥▼★★★
MPA-01-2-40,MPA-01-4-40,MPA-03-2-20,MPA-03-4-20,MPA-04-2-10Y,MPA-04-4-10Y,
MPA-06-2-30,MPA-06-4-30,
MPB-01-2-40,MPB-01-4-40,MPB-03-2-20,MPB-03-4-20,MPB-04-2-10Y,MPB-04-4-10Y,
MPB-06-2-30,MPB-06-4-30,
MPW-01-2-40,MPW-01-4-40,MPW-03-2-20,MPW-03-4-20,MPW-04-2-10Y,MPW-04-4-10Y,
MPW-06-2-30,MPW-06-4-30
★★★▼疊加式溢流閥▼★★★
MBA-01-C-30,MBA-01-H-30,MBA-03-C-30,MBA-03-H-30,MBB-01-C-30,MBB-01-H-30,MBB-03-C-30,
MBB-03-H-30,MBP-01-C-30,MBP-01-H-30,MBP-03-C-30,MBP-03-H-30,MBW-01-H-30,MBW-03-C-30,
MBW-03-H-30
電磁控制調速閥
SKFG-03 SKFG-06 SKFG-10
THF-06
壓力表開關
CLT-03/06
方向控制閥:
CPDG-03/06/10
DCG-01-2B2/2B3
本文由蘇州逐利機電整理發布,如需轉載請瀏覽來源及出處,原文地址:http://www.mfchsuyu.cn/yyf/306.html






留言信息